金年会

专注研发生产电气元器件金年会

为客户节省一系列工序和创造良性价值

东莞市金年会
电子科技有限公司 东莞市金年会 电子科技有限公司
专业从事于金属按钮,金属按钮开关,防水金属按钮的生产研发
专业从事于金属按钮,金属按钮开关,防水金属按钮的生产研发
您当前的位置: 首 页 > 金年会中心 > 贴片轻触开关 > 3.5x6轻触开关
金年会中心/Products
联系金年会 /Contact us

东莞市金年会 电子科技有限公司

电话:0769-82750877

地址:广东省东莞市茶山镇超横路181号3号楼 309房

网址://yiyotech.com

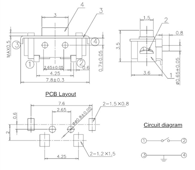
3.5x6轻触开关

3.5x6轻触开关

所属分类: 贴片轻触开关

浏览次数: 0

发布时间: 2018-12-03

  • 金年会概述

金年会规格:

6×3.5×3.85mm

高  度:

3.85mm

额定电流:

50mA,12VDC

介电强度:

250V AC for 1 min

工作温度:

-20 to +70℃

开关行程:

0.25±0.1mm

绝缘电阻:

100mΩ min.100V DC

操 作 力:

160gf/260gf

接触电阻:

100mΩ max



3.5x6轻触开关

3.5x6轻触开关

友情链接:
返回顶部

返回顶部