金年会

专注研发生产电气元器件金年会

为客户节省一系列工序和创造良性价值

东莞市金年会
电子科技有限公司 东莞市金年会 电子科技有限公司
专业从事于金属按钮,金属按钮开关,防水金属按钮的生产研发
专业从事于金属按钮,金属按钮开关,防水金属按钮的生产研发
您当前的位置: 首 页 > 金年会中心 > 12mm钥匙开关 > 电子锁开关
金年会中心/Products
联系金年会 /Contact us

东莞市金年会 电子科技有限公司

电话:0769-82750877

地址:广东省东莞市茶山镇超横路181号3号楼 309房

网址://yiyotech.com

电子锁开关

电子锁开关

所属分类: 12mm钥匙开关

浏览次数: 0

发布时间: 2018-06-23

  • 金年会概述


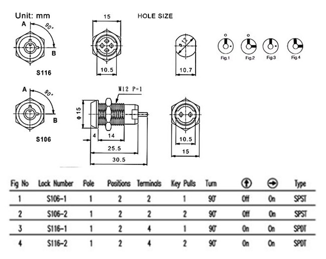
开孔尺寸:Ø12mm

S1091BA把柄包胶套

锌合金锁壳, 锁芯,亮铬电镀

钥匙可单抽或双抽

S106 2支端子,通电方式OFF-ON

镀银接点及端子

S116 4支端子,通电方式ON-ON

锁头固定方式为六角螺母

4个珠子

规格为同号或每100pcs作1组钥匙组合

锌合金管钥匙镀铬

最多可作200组钥匙组合

电子锁开关

电子锁开关

上一个: 电源钥匙开关

下一个: 电源锁开关

友情链接:
返回顶部

返回顶部